


80x80x20mm DC Axial Fan Brushless High Speed
A High-Performance Cooling Solution: The 80x80x20mm DC Fan
In the domain of modern electronics and industrial equipment, dependable thermal management is not merely a recommendation; it is an essential requirement. As components become more potent and compact, the heat they generate can impair performance, shorten operational life, and lead to catastrophic system failures. The 80x80x20mm brushless DC fan is a high-velocity cooling solution engineered to address this challenge, providing efficiency, reliability, and precision control for a wide array of demanding applications.
Design and Fabrication
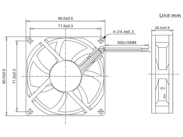
This DC fan is built upon a standard 80x80mm frame with a slender 20mm profile, which makes it an ideal option for applications where space is a premium. The frame and impeller are fabricated from a durable thermoplastic material that complies with the UL 94V-0 flammability standard. This is a significant safety designation, as UL 94V-0 is one of the highest ratings for the flammability of plastic materials. It signifies that in a vertical burn test, the material must cease burning within 10 seconds after the ignition source is removed and produce no flaming drips, thereby minimizing the risk of fire spreading within an enclosure.
Uncompromising Capability: Airflow and Static Pressure
The fundamental purpose of any fan is to move air, and this model excels at that task. The performance characteristics are vividly depicted in the P&Q (Pressure vs. Airflow) curve, which demonstrates the fan's abilities at different rotational speeds. The product line includes several variants to meet specific cooling needs:
High-Speed (5000 RPM): The premier model delivers an impressive maximum airflow of 51.88 Cubic Feet per Minute (CFM). It also generates a powerful maximum static pressure of 6.61 mmH₂O, making it exceptionally well-suited for high-impedance applications like densely packed server racks or enclosures with restrictive filters.
Medium-Speed (4000 RPM): Providing a balanced profile, this version produces a substantial maximum airflow of 41.5 CFM and a static pressure of 5.29 mmH₂O. It strikes an excellent compromise between strong cooling power and more moderate acoustic levels.
Low-Speed (3500 RPM): For environments where acoustics are a primary concern, this model offers reliable cooling with a maximum airflow of 38.31 CFM and a static pressure of 4.63 mmH₂O, all while functioning at a significantly lower noise level of just 32 dBA.
Reliability and Longevity by Design
This DC fan is engineered for extended, continuous operation in challenging conditions.
Dual Ball Bearing System: At its core is a high-quality dual ball bearing system. In contrast to common sleeve bearings, ball bearings provide superior durability, often rated for 50,000 hours or more. They are more dependable over time and permit the fan to be installed in any orientation without affecting its lifespan or performance.
Robust Motor Protection: The brushless DC motor incorporates several layers of protection to ensure its longevity. It is both Impedance Protected and Reverse Polarity Protected. Impedance protection is a crucial safety feature that prevents the motor from burning out if the rotor becomes locked. Reverse polarity protection safeguards the fan's sensitive electronics from damage if the power leads are accidentally connected incorrectly.
The fan is also rated for a wide operating temperature range of -10°C to +70°C, demonstrating its suitability for use in both controlled and extreme thermal environments.
Advanced Control with PWM
A standout feature of this fan is its Pulse Width Modulation (PWM) speed control capability. PWM allows for precise, dynamic regulation of the fan's speed by sending a digital signal to a dedicated fourth wire. This approach offers several advantages, including enhanced precision and efficiency, as a system's controller can adjust the fan speed in real time based on thermal load. This means the fan can operate quietly at low speeds when the system is cool and ramp up to full power only when necessary, optimizing both cooling effectiveness and energy consumption.
Applications
The combination of its compact size, powerful performance, durable construction, and advanced control features makes this 80x80x20mm DC fan an exceptionally versatile cooling solution for countless applications, including:
IT and Networking: Cooling for high-density servers, network switches, and storage arrays.
Computer and Enthusiast Builds: High-performance CPU coolers and chassis ventilation.
Industrial Automation: Cooling control cabinets, PLCs, and other sensitive industrial electronics.
3D Printing and Fabrication: Ventilating print chambers and cooling electronics on small-scale manufacturing equipment.
Audio/Video and Consumer Electronics: Cooling professional amplifiers, receivers, and other high-power consumer devices.
In summary, this high-speed brushless DC fan is a premium thermal management tool. It provides extraordinary airflow and static pressure in a compact form factor, built with high-quality components like dual ball bearings and a UL-rated frame for maximum reliability and safety. With the added intelligence of PWM speed control, it offers a dynamic and effective cooling solution for any project that demands the best in performance and durability.